Skip to main content

v1.7

Minor Versionm

by Jason Fox

  1. access batteries by lifting seat cushion Locate true ignition source from the contactor at the back or the hour meter and connect yellow wire from the HRN-RW03K4 harness. Connect the red wire from the HRN-RW03K4 harness to the battery POSITIVE.
    • access batteries by lifting seat cushion

    • Locate true ignition source from the contactor at the back or the hour meter and connect yellow wire from the HRN-RW03K4 harness.

    • Connect the red wire from the HRN-RW03K4 harness to the battery POSITIVE.

    • Connect the black wire from the HRN-RW03K4 harness to the battery NEGATIVE.

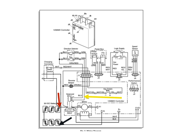
  2. See Wiring Diagram:
    • See Wiring Diagram:

  3. Connect the BeWired+ device as follows: Grey Wire (Ignition) goes to the Yellow Wire of the HRN-RW03K4.
    • Connect the BeWired+ device as follows:

    • Grey Wire (Ignition) goes to the Yellow Wire of the HRN-RW03K4.

    • Pink Wire (Constant Power) goes to the Red Wire on the HRN-RW03K4.

    • Black Wire (Ground) goes to the Black Wire on the HRN-RW03K4.

  4. Attach magnetic feet to the Go Rugged Secure GO Rugged in the under seat compartment using magnetic feet. Plug HRN-RS12A1 into HRN-RW03K4 and into GO Rugged.
    • Attach magnetic feet to the Go Rugged

    • Secure GO Rugged in the under seat compartment using magnetic feet.

    • Plug HRN-RS12A1 into HRN-RW03K4 and into GO Rugged.

Finish Line

Jason Fox

Member since: 9/14/23

95 Guides authored

Team

Field Service Specialists Member of Field Service Specialists

9 Members

258 Guides authored